1-2 GHz Balanced Low Noise Amplifier/ IF matching network
Last Updated May 5, 2001

   

Related Memo:

J.W. Kooi

A Design review


     LNA Performance Specifications :  
  • Noise temperature from 1-2 GHz at measured 12 Kelvin.  
  • Input reflection Coefficient for power up/down conditions(S11).  
  • Forward gain (S21) measured at 300K and 12K.  
  • 1-2 GHz Balanced LNA, Top view.

         IF Matching Network Related Images :  

  • 1-2 GHz 2 wire IF matching network in the 230 GHz mixer block.  
  • 1-2 GHz 2 wire IF matching network in the 345 GHz mixer block.  
  • 1-2 GHz 2 wire IF matching network in the 650 GHz mixer block.  
  • 1-2 GHz 4 wire IF matching network in the 850 GHz mixer block.
     
  • Reflection mesurements of matching network terminated into 160 Ohms.  
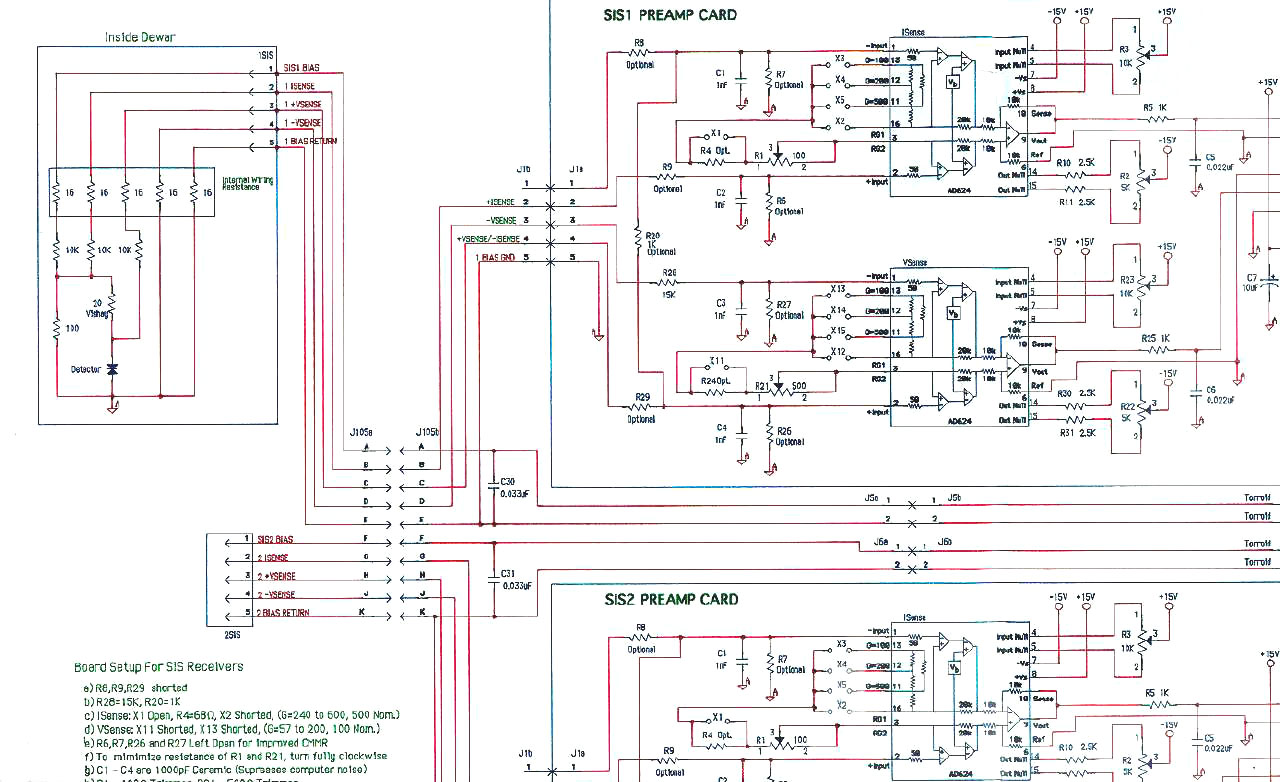
  • Four-wire bias network schematic, large format.
  •  
    | Receiver Index | Handheld Display Menu | Receiver Control Menu | B-field Menu | I/V sweep Menu |
            Web Page created and last updated on March 20, 2001, by: Jacob W. Kooi